新闻中心/新乡市同远电气有限公司
低温甲醇洗新乡VOCs 治理工艺选择 | 附案例介绍
来源:http://xinxiang.missionvalleyaz.com/news670213.html发布时间:2021/8/23 11:30:00
新乡市同远电气有限公司为您免费提供β射线扬尘在线365名品汇个人注册推荐码_36566666是哪个公司的电话_365比分 ,烟气CEMS在线365名品汇个人注册推荐码_36566666是哪个公司的电话_365比分 系统,厂界VOCs在线365名品汇个人注册推荐码_36566666是哪个公司的电话_365比分 等相关信息发布和资讯展示,敬请关注!
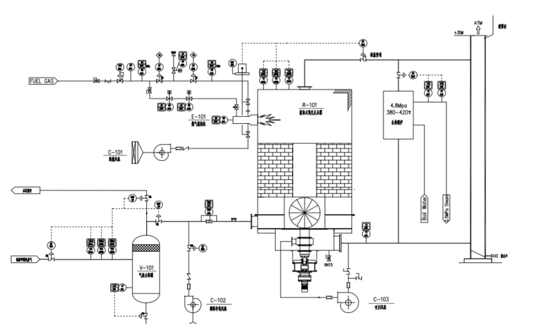
低温甲醇洗是煤化工行业很经典的一个工段,该工艺以冷甲醇为吸收溶剂,利用甲醇在低温下对酸性气体溶解度极大的优良特性,脱除原料气中的酸性气体。该工艺气体净化度高,选择性好,气体的脱硫和脱碳可在同一个塔内分段、选择性地进行。低温甲醇洗工艺技术成熟,在工业上有着很好的应用业绩,被广泛应用于国内外合成氨、合成甲醇和其他羰基合成、城市煤气、工业制氢和天然气脱硫等气体净化装置中。在国内以煤、渣油为原料建成的大型合成氨装置中也大都采用这一技术。但该工段涉VOCs排放?虽然是个小众细分,但是投资可一点都不少,欢迎大家了解。

低温甲醇洗废气具有风量大、浓度高、近乎零含氧量,需要大量新风或将污水厂生化池收集的VOCs废气、装卸区和罐区排放VOCs废气参入稀释后一同处理,实现整厂综合治理。

根据废气风量及其携带的VOCs浓度,采用蓄热式氧化焚烧法RTO是可靠、经济的治理工艺技术路线,《蓄热氧化技术在低温甲醇洗排放气处理上的应用》等文章中详细描述了RTO技术在该领域的应用,《煤制气低温甲醇洗VOCs废气处理技术探讨》更是指出了旋转式RTO较床式RTO在技术上有更高的可靠性和稳定性。下面介绍两个已投产的案例

1、新疆广汇低甲洗VOCs废气治理项目
新疆广汇新能源有限公司煤制液化气采用Lurgi气化炉,低温甲醇洗废气量为56000Nm3/h,可燃组分浓度约4.6%,2019年新疆广汇新能源投运了一套5.6万方/小时处理量的TO直燃炉设备,配套50T/h余热锅炉,用来治理低温甲醇洗废气。项目总投资8000万,计划每年的余热利用效益1200万。因为TO直燃炉适合于浓度6%以上的废气,在低甲洗VOCs废气治理项目上使用能耗非常高,所以新疆广汇低温甲醇洗废气治理项目投运后,每小时需要伴烧100—200Nm3/h天然气,经济效益比预算大打折扣。

2、新疆伊犁新天煤化工有限公司低甲洗VOCs 治理工艺
新疆伊犁新天项目是国内采用蓄热式热氧化(RTO)技术的煤化工低温甲醇洗废气新乡VOCs治理项目,也是国内煤化工行业规模的RTO项目,由浙能总承包建设,采用三床式RTO设备,国内制造。项目总处理气量约每小时72万立方米,同时利用烟气余热副产1.5MPa、240℃等级的过热蒸汽,计划蒸汽产量约35吨/h。该低温甲醇洗尾气治理项目废气浓度较低,可燃组分浓度大约1%,小于混合气体安全爆炸下限的25%;所以不考虑从安全角度的新风稀释,只考虑进RTO设备时废气含氧量≥6%。项目总设计风量为720000Nm3/h,采用6套三床式RTO和1套余热锅炉的工艺路线,RTO单套处理量120000Nm3/h;伊犁新天低温甲醇洗尾气治理项目2019年投运后,运行情况较稳定,每年余热回收效益约1000万元左右。
β射线扬尘在线365名品汇个人注册推荐码_36566666是哪个公司的电话_365比分 哪家好?烟气CEMS在线365名品汇个人注册推荐码_36566666是哪个公司的电话_365比分 系统报价是多少?厂界VOCs在线365名品汇个人注册推荐码_36566666是哪个公司的电话_365比分 质量怎么样?新乡市同远电气有限公司为您免费提供相关信息。


